Le treuil électrique 12V T4500 Novawinch est un équipement robuste, fiable et performant, conçu pour le dépannage professionnel, le remorquage de véhicules et les applications 4×4 tout-terrain.
Grâce à son moteur 12 volts haute puissance et son réducteur planétaire à triple engrenage, il offre un enroulement fluide, une traction constante et une sécurité maximale dans toutes les conditions.
Disponible avec câble acier galvanisé ou corde synthétique, le treuil électrique T2500 allie force, durabilité et facilité d’utilisation, le tout dans un format compact idéal pour dépanneuses, remorques, quads et véhicules 4×4.
🔩 Caractéristiques techniques :
-
Tension : 12V
-
Capacité de traction : 2041 Kg
-
Moteur : électrique à haut rendement, étanche IP67
-
Câble : acier galvanisé
-
Longueur du câble : 17 mètres
-
Frein automatique : intégré dans le tambour
-
Commande : filaire
-
Fixation : 168 mm x 76 mm
-
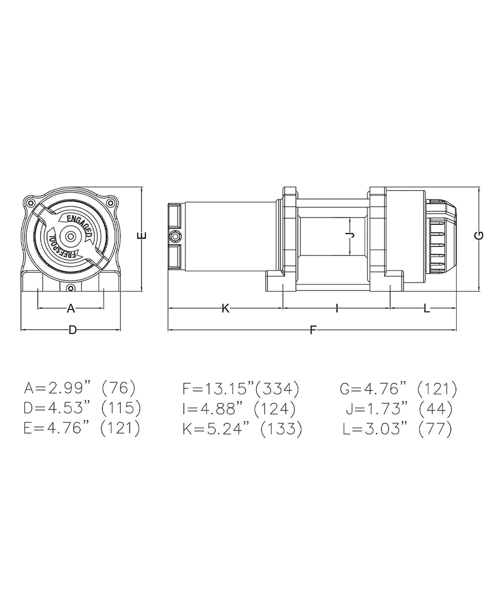
Dimensions : 386 x 115 x 121 mm
⚡ Avantages du treuil électrique Novawinch :
-
✅ Force de traction élevée pour le dépannage ou le tout-terrain
-
✅ Moteur 12V performant et endurant
-
✅ Utilisation facile avec télécommande sans fil ou filaire
-
✅ Système de freinage automatique pour une sécurité maximale
-
✅ Crochet de sécurité robuste et mousqueton renforcé
-
✅ Installation rapide sur plateau, remorque ou pare-chocs 4×4
-
✅ Protection IP67 : résiste à l’eau, à la boue et à la poussière
🚙 Applications :
-
Dépannage et remorquage de véhicules légers et utilitaires
-
Treuil pour remorque porte-voiture ou remorque de bateau
-
Treuil 4×4 tout-terrain, quad, buggy, SUV
-
Treuil d’atelier, agricole ou de levage léger
📦 Contenu du kit
-
Treuil électrique complet
-
Câble
-
Guide câble
-
Télécommande filaire
-
Manuel d’installation et d’utilisation
🔒 Livraison & Garantie
-
🚚 Livraison rapide
-
🛠️ Produit prêt à l’emploi, facile à monter
-
🔐 Garantie 1 an
-
📞 Support technique disponible
🏁 Pourquoi choisir un treuil électrique Novawinch ?
-
Fabrication de qualité professionnelle
-
Excellent rapport puissance / fiabilité / prix
-
Service après-vente disponible en France
-
Stock permanent et expédition rapide
-
Pièces détachées et accessoires compatibles disponibles





